Перейти к содержимому

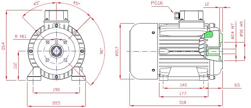
Размеры электродвигателей Nikolini 5,5 квт 4,0 квт


Подходят для помп: Interpump series 44-49; Leuco/Hawk series SST; Udor series P; Speck series NP10, NP12, NP16; Bertolinipumps TML 1520 и др

31132371
telegramМожем пообщаться в Telegram, или отправьте нам электронное письмо по адресу


info@eftek.ru

сообщения в телеграм принимаюся круглосуточно, отвктим в течении рабочего дня
31132371